Texas Instruments LMR23610/LMR23610-Q1 Step-Down Converter
Texas Instruments LMR23610/LMR23610-Q1 SIMPLE SWITCHER® Step-Down Converter is an easy-to-use 36V, 1A synchronous step-down regulator. With a wide input range from 4.5V to 36V, it is suitable for various industrial and automotive applications for power conditioning from unregulated sources. Peak current-mode control is employed to achieve simple control loop compensation and cycle-by-cycle current limiting. A quiescent current of 75µA makes it suitable for battery-powered systems. An ultra-low 2µA shutdown current can further prolong battery life. Internal loop compensation means that the user is free from the tedious task of loop compensation design. This feature also minimizes the external components. The Texas Instruments LMR23610-Q1 devices are AEC-Q100 qualified for automotive applications.Features
- 4.5V to 36V input range
- 1A continuous output current
- Integrated synchronous rectification
- Current mode control
- 60ns minimum switch-on time
- 400kHz switching frequency with PFM mode
- Internal compensation for ease of use
- 75µA quiescent current at no load
- Frequency synchronization to an external clock
- Soft-start into a pre-biased load
- High duty cycle operation supported
- Precision enable input
- Output short-circuit protection with hiccup mode
- Thermal protection
Applications
- Automotive battery regulation
- Industrial power supplies
- Telecom and datacom systems
- General-purpose wide VIN regulation
Datasheets
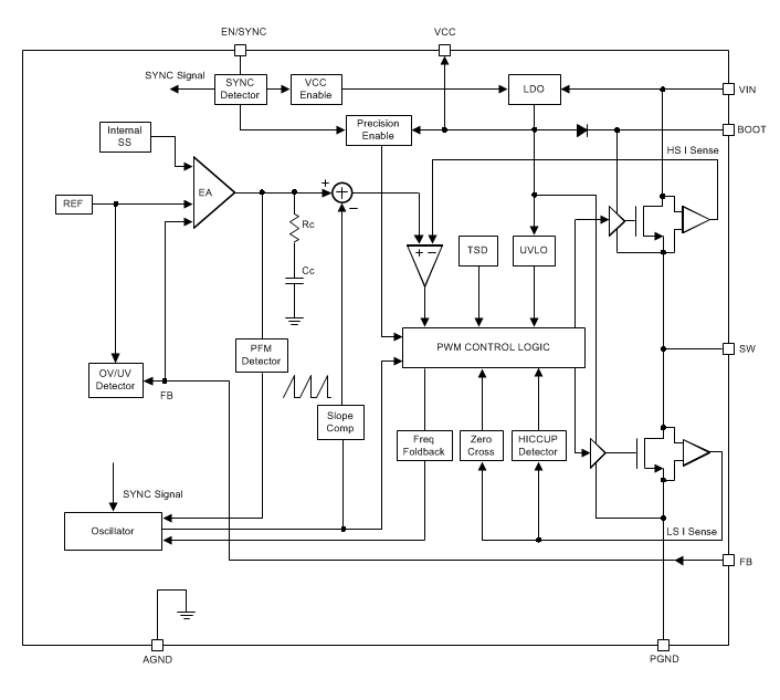
Functional Diagram
Publicado: 2016-08-01
| Actualizado: 2022-03-11
