Texas Instruments LMG2100R044 GaN Half-Bridge Power Stage
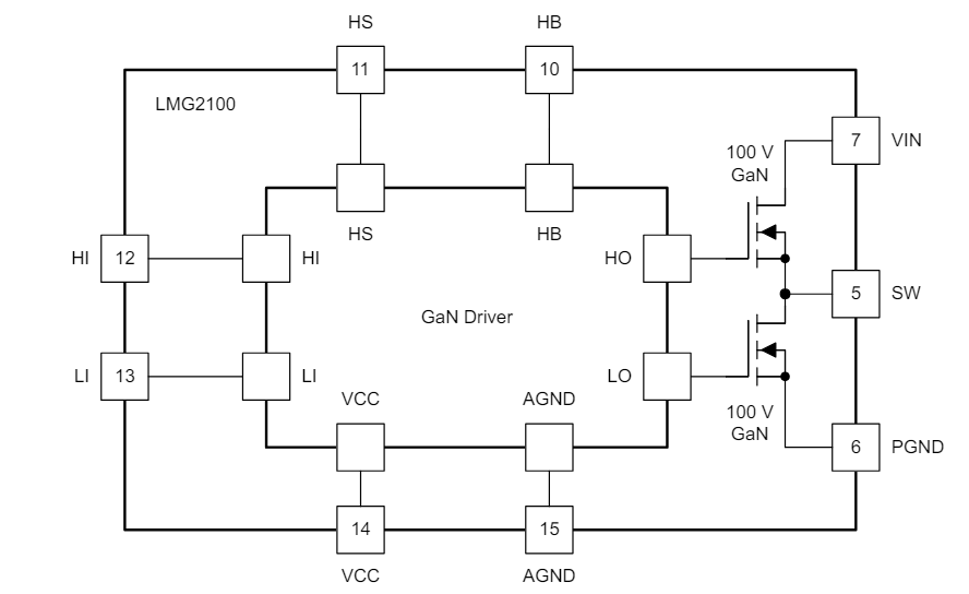
Texas Instruments LMG2100R044 GaN Half-Bridge Power Stage is a 90V continuous, 100V pulsed, 35A half-bridge power stage with integrated gate-driver and enhancement-mode Gallium Nitride (GaN) FETs. The LMG2100R044 combines two 100V GaN FETs driven by one high-frequency 90V GaN FET driver in a half-bridge configuration. The GaN FETs offer significant advantages for power conversion, such as zero reverse recovery and minimal input capacitance CISS and output capacitance COSS.The TI LMG2100R044 Power Stage is mounted on a fully bond-wire-free package platform with minimized package parasitic elements. The LMG2100R044 is housed in a 5.5mm x 4.5mm x 0.89mm lead-free package and easily mounted on PCBs.
Features
- Integrated 4.4mΩ half-bridge GaN FETs and driver
- 90V continuous, 100V pulsed voltage rating
- Package optimized for easy PCB layout
- High slew rate switching with low ringing
- 5V external bias power supply
- Supports 3.3V and 5V input logic levels
- Gate driver capable of up to 10MHz switching
- Low power consumption
- Excellent propagation delay (33ns typical) and matching (2ns typical)
- Internal bootstrap supply voltage clamping to prevent GaN FET Overdrive
- Supply rail undervoltage for lockout protection
- Exposed top QFN package for top-side cooling
- Large GND pad for bottom-side cooling
Applications
- Buck, boost, buck-boost converters
- LLC converters
- Solar inverters
- Telecom and server power
- Motor drives
- Power tools
- Class-D audio amplifiers
Simplified Block Diagram
Propagation Delay & Propagation Mismatch Measurement
Publicado: 2024-05-13
| Actualizado: 2025-04-16
