Texas Instruments DS90LVRA2EVM Evaluation Module
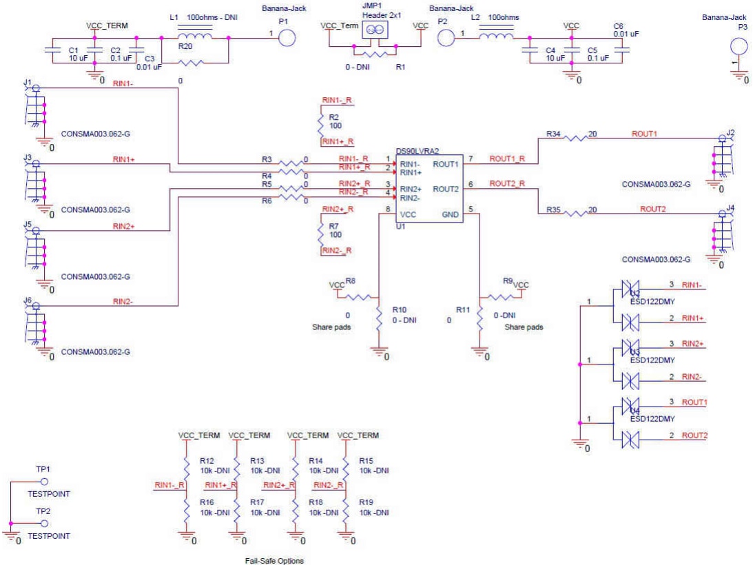
Texas Instruments DS90LVRA2EVM Evaluation Module is designed for performance and functional evaluation of the DS90LVRA2 dual CMOS differential line receiver. This evaluation module quickly evaluates the output waveform characteristics and signal integrity supported by the DS90LVRA2 receiver. The DS90LVRA2 receiver is designed for applications that require high input common mode range, high-data rates, and CMOS output with slew rate control. This receiver supports data rates of 600Mbps (300MHz) utilizing Low Voltage Differential Signaling (LVDS) technology. The SMA allows access to the DS90LVRA2 receiver inputs and outputs and also facilitates connection to the lab equipment or user systems for performance evaluation. The DS90LVRA2EVM evaluation module is ideally used in board-to-board communication, multifunction printers, ultrasound scanners, lab instrumentation, and data center interconnect systems.Features
- Evaluates DS90LVRA2 dual CMOS differential line receiver
- 600Mbps (300MHz) switching rates
- 1.8V power supply
- Converts differential LVDS to single-ended CMOS
- CMOS output voltage based on the power supply voltage
- Flow-through pinout simplified PCB layout
- Power down high impedance on LVDS inputs
- Output slew rate control
Applications
- Board-to-board communication
- Multifunction printers
- Ultrasound scanners
- Lab instrumentation
- Data center interconnect
- Test and measurement
Schematic
Additional Resource
Publicado: 2023-01-27
| Actualizado: 2023-03-24
