Texas Instruments AMC1200C Isolated Amplifiers

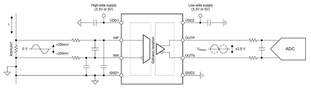
Texas Instruments AMC1200C Isolated Amplifiers offer a ±250mV differential input and differential output. The precision, galvanically isolated AMC1200C input is optimized for direct connection to a shunt resistor or other low-impedance signal source.

The isolation barrier separates parts of the system operating at different common-mode voltage levels. The isolation barrier is highly resistant to magnetic interference. The barrier is certified to supply basic isolation up to 5kVRMS (60s).

The TI AMC1200C Amps output a differential signal proportional to the input voltage. The differential output is insensitive to ground shifts and facilitates routing the output signal over long distances.

The AMC1200C is available in 8-pin, wide-body SOIC and SOP packages. The device is fully specified over the -40°C to +125°C temperature range.

Features

  • Linear input voltage range: ±250mV
  • Supply voltage range:
    • High-side (VDD1): 3.0V to 5.5V
    • Low-side (VDD2): 3.0V to 5.5V
  • Low DC errors:
    • Offset error: ±0.2mV (maximum)
    • Offset drift: ±2uV/°C (maximum)
    • Gain error: ±0.25% (maximum)
    • Gain drift: ±35ppm/°C (maximum)
    • Nonlinearity: 0.04% (maximum)
  • Fixed gain: 8.0V/V
  • Differential analog output
  • High CMTI: 150V/ns (minimum)
  • Low EMI: meets CISPR-11 and CISPR-25 standards
  • Isolation ratings: basic isolation
  • Safety-related certifications:
    • DIN EN IEC 60747-17 (VDE 0884-17)
    • UL1577
  • Fully specified over the extended industrial temperature range of -40°C to +125°C

Applications

  • Industrial motor drives
  • Frequency inverters
  • Server power-supply units (PSU)
  • Power factor correction (PFC)

Typical Application

Application Circuit Diagram - Texas Instruments AMC1200C Isolated Amplifiers
Publicado: 2026-02-05 | Actualizado: 2026-02-10