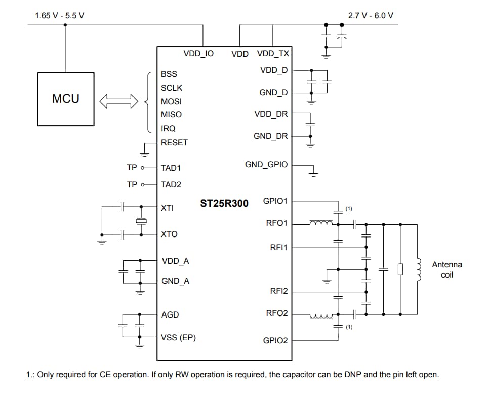
STMicroelectronics ST25R300 NFC Reader
STMicroelectronics ST25R300 NFC Reader is a high-performance universal device supporting NFC initiator, target, reader, and card emulation modes. The ST25R300 was developed to comply with EMVCo® PCD 3.2a analog and digital standards and is optimized for the most challenging POS terminal applications.The STMicro ST25R300 NFC Reader allows quick EMVCo certification cycles, even under demanding conditions, with the antenna behind noisy LCDs. The device includes an advanced analog front end (AFE) and a highly integrated data framing system for reader NFC‑A/B (ISO14443A/B), including higher bit rates, NFC-F (FeliCa™), NFC-V (ISO15693) up to 212kbps, and NFC‑A/NFC‑F card emulation. Special low-level modes of the AFE and framing system can enforce other custom protocols in a reader or card emulation operation. The device offers high radio frequency (RF) power with dynamic power output to drive antennas directly and efficiently. The reader reaches large interaction distances even with small antenna sizes in access control and EMVCo readers. The device provides long‑range and low‑power card detection by measuring the I and Q channels, representing the antenna signal's real and imaginary parts. This approach minimizes power consumption.
The ST25R300 is created to operate from a wide power supply range (from 2.7V to 6.0V), an ambient temperature range from -40°C to +105°C, and a wide peripheral I/O voltage range (from 1.65V to 5.5V). Due to the combination of high RF output power, low-power modes, and wide supply range, the device is well-suited for all NFC applications.
Features
- Operating modes
- Reader/writer
- Card emulation
- RF communication - Reader/writer
- EMVCo PCD 3.2a analog- and digital-compliant
- NFC-A/ISO/IEC 14443A up to 848kbit/s
- NFC-B/ISO/IEC 14443B up to 848kbit/s
- NFC-V/ISO/IEC 15693 up to 212kbit/s
- NFC-F/FeliCa up to 424kbit/s
- Low-level modes to implement MIFARE Classic®-compliant and other custom protocols (Kovio BC, CTS, B')
- Electrical characteristics
- 2.7V to 6.0V wide supply voltage range
- 1.65V to 5.5V wide peripheral communication supply range
- -40°C to +105°C wide ambient temperature range
- Quartz oscillator capable of operating with a 27.12MHz crystal with fast startup
- RF communication - card emulation
- NFC-A/ISO/IEC 14443A 106kbit/s
- NFC-F/FeliCa 212kbit/424kbit/s
- Key characteristics
- Passive P2P mode
- NFC Forum universal device
- USI WLC reader device
- Low-power inductive card detection
- I/Q demodulator with baseband channel summation
- Dynamic power output (DPO) controls the field strength to stay within given limits (software feature)
- Active wave shaping (AWS) reduces both over- and undershoots
- Noise suppression receiver (NSR) allows reception in a noisy environment
- Serial peripheral interface (SPI) up to 10Mbit/s
- Possibility to drive one differential or two independent single-ended antennas
Applications
- EMVCo PCD 3.2a compliant contactless payment terminal
- Access control
- NFC Forum-compliant NFC universal device
- WPC Qi out-of-band (OOB) communication and card protection NFC reader
- NFC wireless charging (WLC) poller
- WPC Ki power transmitter (PTx) communications unit
- ISO/IEC 14443 and ISO15693 compliant general-purpose NFC device
- FeliCa reader/writer
Block diagram
System diagram
