STMicroelectronics M2P45M12W2-1LA Automotive Power Module
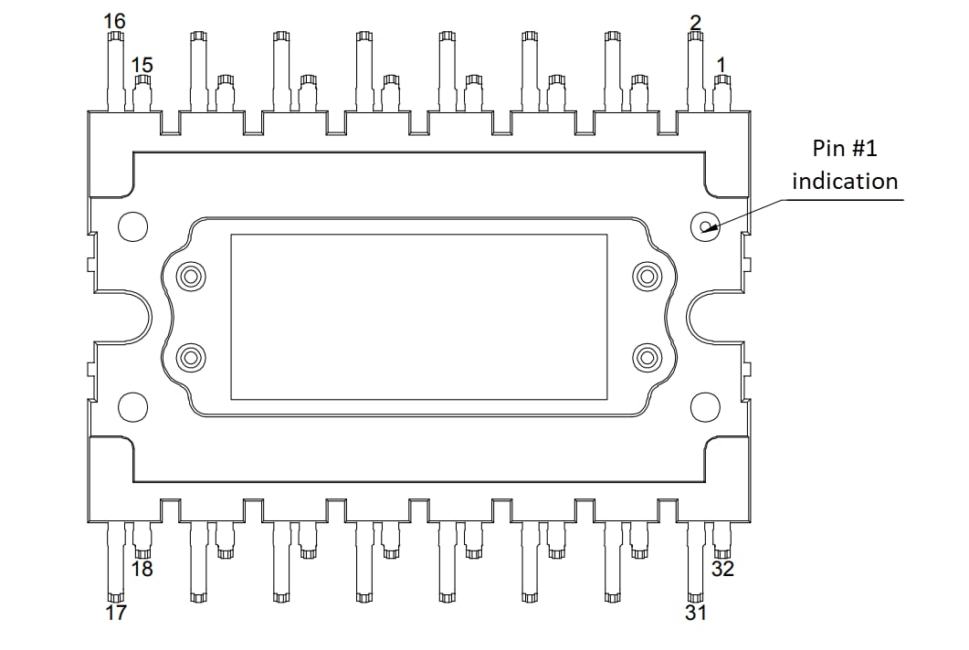
STMicroelectronics M2P45M12W2-1LA Automotive Power Module offers a six-pack topology with integrated NTC, targeted for the DC/DC converter stage of the On-Board Charger (OBC) in hybrid and electric vehicles. The power module integrates six second-generation silicon carbide Power MOSFETs. The well-recognized chip technology allows the STMicroelectronics M2P45M12W2-1LA to minimize energy losses and operate in a high switching frequency mode. The module lets users create complex topologies with very high power densities and high efficiency requirements.The AlN-insulated substrate facilitates optimal thermal performance. Additionally, the ACEPACK DMT-32-specific design featuring grooves on the molding guarantees a high creepage distance. The zig-zag pin option improves flexibility at the PCB level.
Features
- AQG 324 qualified
- 1200V blocking voltage
- 47.5mΩ of typical RDS(on)
- Maximum operating junction temperature TJ = 175°C
- Zig-zag pin-out
- DBC Cu-AlN-Cu based substrate to improve thermal performance
- Isolation voltage 3kV
- Integrated NTC temperature sensor
Typical Application
Pinout
Publicado: 2025-07-21
| Actualizado: 2025-09-26
