STMicroelectronics EVALSTGAP2HSM Gate Driver Demonstration Board

STMicroelectronics EVALSTGAP2HSM Gate Driver Demonstration Board allows evaluation of the STGAP2HSM features while driving a half-bridge power stage with a voltage rating of up to 1200V in a TO-220 or TO-247 package. The gate driver is characterized by 4A current capability and rail-to-rail outputs. This feature makes the gate driver suitable for high-power inverter applications such as motor drivers in industrial applications equipped with a MOSFET/IGBT power switch. The separated source and sink outputs enable the user to optimize turn-on and turn-off via dedicated gate resistors independently.

The device integrates protection functions like UVLO and thermal shutdown to design high-reliability systems easily. Dual input pins allow for controlling signal polarity and implementing HW interlocking protection to avoid cross-conduction in case of a controller's malfunction. The device implements negative gate driving, and the onboard isolated DC-DC converters allow working with optimized driving voltage for MOSFET/IGBT. The STMicroelectronics EVALSTGAP2HSM enables easy selection and modification of the values of relevant external components to ease driver performance evaluation under different applicative conditions and fine pre-tuning of the final application's components.

Features

  • Board
    • High voltage rail up to 1200V
    • Negative gate driving
    • Onboard isolated DC-DC converters to supply high- and low-side gate drivers, fed by VAUX = 5V, with 5.2kV maximum isolation
    • 3.3V VDD logic supply generated onboard or 5V (externally applied)
    • Easy jumper selection of driving voltage configuration: +15/0V, +15/-3V, +19/0V, or +19/-3V
  • Device
    • 4A source/sink driver current capability at +25°C
    • Separate sink and source for easy gate-driving configuration
    • 6000V galvanic isolation
    • 75ns short propagation delay
    • UVLO function
    • Gate driving voltage up to 26V
    • 3.3V, 5V TTL/CMOS inputs with hysteresis
    • Temperature shutdown protection
    • Standby function

Applications

  • Motor drivers
    • Home appliances
    • Factory automation
    • Industrial drives
    • Fans
  • 600/1200V inverters
  • Battery chargers
  • Induction heating
  • Welding
  • UPS
  • Power supply units
  • DC-DC converters
  • Power factor correction

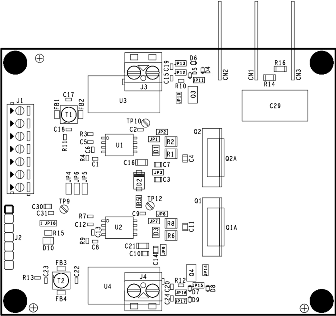
Board Layout

Mechanical Drawing - STMicroelectronics EVALSTGAP2HSM Gate Driver Demonstration Board
Publicado: 2020-10-02 | Actualizado: 2025-01-03