STMicroelectronics Automotive Class-D Audio Power Amplifiers
STMicroelectronics Automotive Class-D Audio Power Amplifiers are digital input amplifiers with Bipolar-CMOS-DMOS (BCD) technology designed for automotive audio applications. The class-D audio amplifiers feature wide operating range, ESD protection, AEC-Q100 qualification, and 2Ω and 1Ω load driving capability. These audio amplifiers come in single and quad bridge configurations. The class-D audio amplifiers employ I2S and Time Division Multiplexing (TDM) digital inputs. These audio amplifiers integrate a high-performance D/A converter that improves efficiency performances. The class-D audio amplifiers incorporate a feedback loop with the output L-C low pass filter that provides superior frequency response linearity and lower distortion. STMicroelectronics Automotive Class-D Audio Power Amplifiers are used in the standard single DIN car-radio box together with the tuner, noise and tone generators, telematics, and e-call.Features
- Integrated 108/110dB D/A conversion
- Full I2C bus driving
- Output lowpass filter included in the feedback
- Clipping detector
- 44.1kHz, 48kHz, 96kHz, 192kHz input sampling frequencies
- ESD protection
- 2Ω and 1Ω load driving capability
- AEC-Q100 qualified
Specifications
- FDA801B and FDA801:
- 3.3V / 1.8V I2S and TDM digital input
- 28W / 4Ω @Vd=14.4V, THD=10% high output power capability
- LQFP64 exposed pad up package
- FDA803D and FDA903D:
- 4 / 8 / 16 channel I2S and TDM digital input
- 1 x 25W / 4Ω @Vd=14.4 V, THD=1% high output power capability
- 1 x 30 W / 4Ω @Vd=14.4 V, THD=10% high output power capability
- PowerSSO-36 exposed pad down package
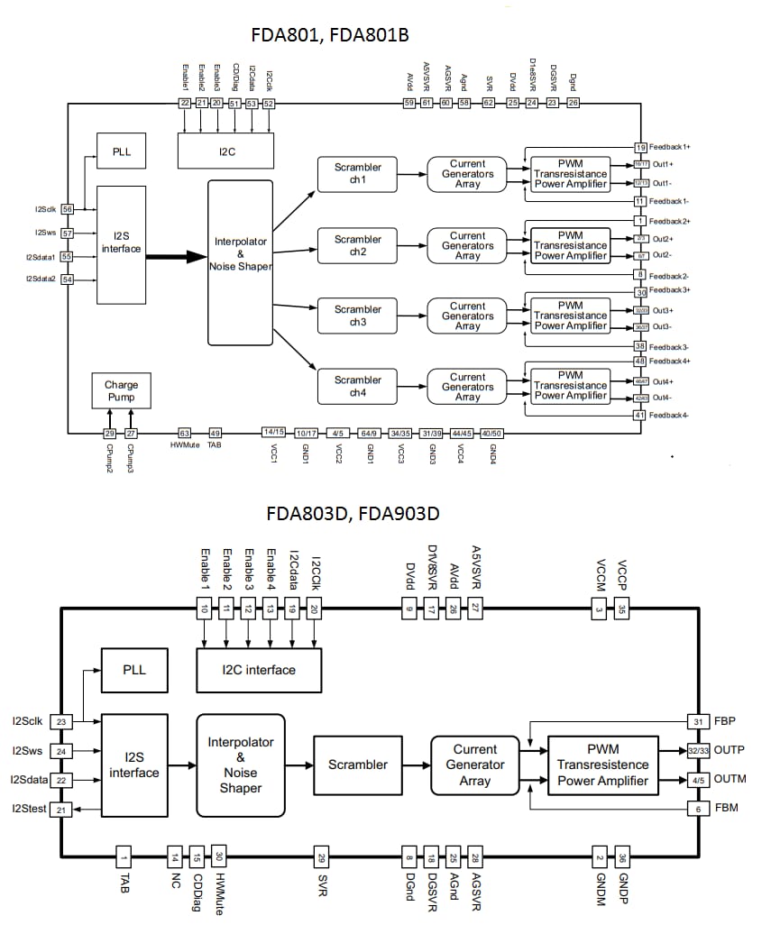
Class-D Amplifiers Block Diagram
Publicado: 2018-06-17
| Actualizado: 2025-01-09
