Qorvo QPC6742 RF Switch IC
Qorvo QPC6742 RF Switch IC is 75Ω Silicon On Insulator (SOI) single-pole, four throw (SP4T) switch. The QPC6742 RF switch IC is designed for use in CATV, satellite set-top, and other high-performance communications systems. This QPC6742 switch IC offers a high isolation symmetric topology with excellent linearity and power handling capability. The QPC6742 IC have no necessity of blocking caps on the RF ports. The Qorvo QPC6742 RF Switch IC operates from 5MHz to 2000MHz. Applications include MDU amplifiers, point-to-point, optical nodes, set-top box, PCTV, and multi-tuner DVR.Features
- 5MHz to 2000MHz operation
- 0.35dB at 800MHz low insertion loss
- No blocking caps required unless voltage on RF Line
- High isolation 34dB at 800MHz
- High input IP3 82dBm at 850MHz
- 2kV ESD
- +1.8V logic compatible
- 3V to 5V Operation
Applications
- MDU amplifiers
- Point-to-point
- Optical nodes
- Set top box
- PCTV
- Multi-tuner DVR
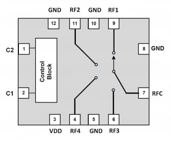
Block Diagram
Typical Performance
Additional Resource
Publicado: 2018-03-15
| Actualizado: 2023-01-30
