onsemi NL27WZ125 3-State Low Enable Dual Buffers
onsemi NL27WZ125 3-State Low Enable Dual Buffers are MiniGate™ high-performance dual non-inverting buffers operating from a 1.65V to 5.5V supply. These devices provide near-zero static supply current, substantially reducing system power requirements. The onsemi NL27WZ125’s ability to operate in a 3-state configuration makes it particularly useful in applications where multiple devices share the same signal lines. The dual buffers are available in US8, UDFN8, and UQFN8 packages.Features
- Designed for 1.65V to 5.5V VCC operation
- 2.4ns tPD at VCC = 5V typical
- Inputs/outputs overvoltage tolerant up to 5.5V
- IOFF supports partial-power-down protection
- 24mA source/sink at 3.0V
- ±100mA latch-up performance
- -55°C to +125°C operating temperature range
- Available in US8, UDFN8, and UQFN8 packages
- Chip complexity < 100 FETs
- Near zero static supply current substantially reduces system power requirements
- 3-state OE input is active-low
- Moisture Sensitivity Level (MSL) 1
- UL 94V-0 flammability rating
- -Q suffix for automotive and other applications requiring unique site and control change requirements, AEC-Q100 qualified and PPAP capable
- Lead-free, Halogen-free/BFR-free, and RoHS-compliant
Applications
- Bus drivers
- Data isolation
- Signal buffering
- Control logic
- Level shifting
- Fan-out applications
- Memory applications
- Microcontroller interfaces
- LED drivers
Logic Symbol
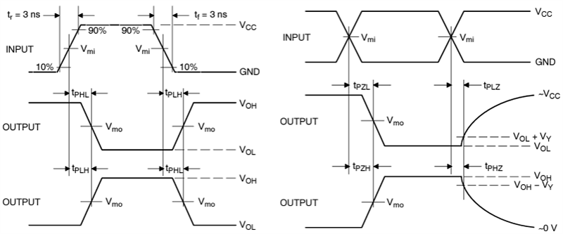
Switching Waveforms
Publicado: 2024-10-25
| Actualizado: 2024-12-09
