onsemi NCP1345 Quasi-Resonant Flyback Controllers
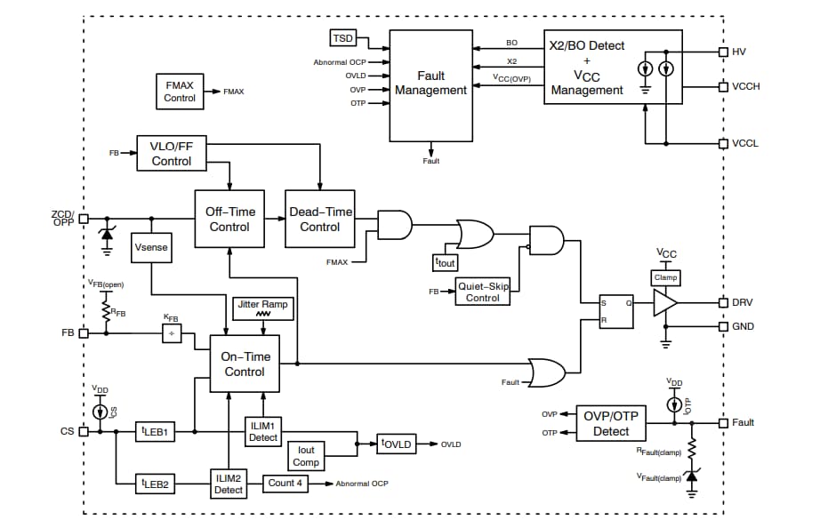
onsemi NCP1345 Quasi-Resonant Flyback Controllers are highly integrated devices designed for high-performance off-line USB-PD and USB Type-C™ power converters. The NCP1345 implements dual−pin VCC architecture for a direct connection to the aux winding. Simplified VCC management allows for a low part count and increased performance.The onsemi NCP1345 Quasi-Resonant Flyback Controllers offer a precise, primary side-based output current limiting circuit enabling a constant output current limit regardless of programmed output voltage or nameplate output power.
The NCP1345 facilitates several key protective options, including internal brownout detection, a maximum output current limit regardless of input voltage, and a latched over-voltage and NTC−ready overtemperature protection via a dedicated pin. Additionally, line removal detection safely discharges the X2 capacitors when the line is removed, achieving converter ruggedness.
Features
- Integrated high-voltage startup circuit with brownout detection
- Integrated X2 capacitor discharge capability
- Wide VCCL range from 8V to 38V
- 150V VCCH Pin for connection to high-voltage aux winding
- 36.5V VCC Overvoltage protection
- Primary side-based constant output current limiting
- Abnormal overcurrent fault protection for winding short circuit detection
- Internal temperature shutdown
- Valley switching operation with valley-lockout for noise-free operation
- Rapid frequency foldback for fast reduction of switching frequency
- Skip mode with output voltage compensation
- Minimized no load power consumption
- Frequency jittering for reduced EMI signature
- Latching or auto-recovery overload protection
- Adjustable overpower protection
- Fixed/adjustable maximum frequency clamp
- Fault pin for severe fault conditions, NTC compatible for OTP
Block Diagram
Typical Application Circuit
Publicado: 2022-08-22
| Actualizado: 2023-04-20
