Nisshinbo NL9620 Precision Instrumentation Amplifiers

Nisshinbo NL9620 Precision Instrumentation Amplifiers are high-precision, low-power instrumentation amplifiers designed for applications requiring accurate signal amplification with minimal noise and drift. Featuring a low input offset voltage of 125µV (maximum at +25°C) and a low input bias current of 2nA (maximum), the NL9620 ensures excellent DC accuracy, making it ideal for sensor signal conditioning, medical instrumentation, and industrial measurement systems. The Nisshinbo NL9620 supports a wide supply voltage range from ±2.3V to ±18V, and offers a gain range from 1 to 10,000, configurable via external resistors. With a high common-mode rejection ratio (CMRR) of 110dB (minimum) and rail-to-rail output, the NL9620 amplifiers deliver robust performance even in noisy environments. Available in a VSP-8-AF or an EMP-8-AN package, combined with low power consumption, further enhances suitability for precision analog front-end designs in space-constrained and power-sensitive applications.

Features

  • Gain set with one external resistor, 1 to 10K gain range
  • Low input offset voltage
    • 125μV maximum at +25°C
    • 185μV maximum within a -40°C to +85°C range
  • 1μV/°C maximum input offset voltage drift
  • 2nA maximum input bias current
  • 0.9mA typical supply current, 1.3mA maximum
  • 110dB minimum common-mode rejection ratio (at G = 100)
  • ±2.3V to ±18V supply voltage range
  • Integrated EMI filter
  • 13nV/√Hz maximum voltage noise (f = 1kHz)
  • 120kHz typical -3dB bandwidth (G = 100)
  • 0.75V/μs minimum slew rate
  • Bipolar architecture
  • -40°C to +85°C specified operating temperature range
  • Package options
    • VSP-8-AF (2.9mm x 4.0mm x 1.1mm)
    • EMP-8-AN (5.0mm x 6.0mm x 1.5mm)
  • Sn2Bi plating composition
  • Halogen free and RoHS compliant

Applications

  • Battery-powered equipment
  • Sensor interfaces (strain gauges, flow meters, and pressure sensors)
  • Sensor signal conditioning
  • Precision analog front-ends
  • Transducer interfaces
  • Weigh scales
  • Medical instrumentation
  • Industrial measurement systems

Videos

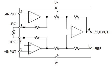
Block Diagram

Block Diagram - Nisshinbo NL9620 Precision Instrumentation Amplifiers

Internal Block Diagram

Block Diagram - Nisshinbo NL9620 Precision Instrumentation Amplifiers
Publicado: 2025-07-08 | Actualizado: 2025-12-03