Infineon Technologies TLD5191HB2W_EVAL Evaluation Board
Infineon Technologies TLD5191HB2W_EVAL Evaluation Board is an evaluation platform for TLD5191ES synchronous MOSFET H-Bridge DC-DC controller. This evaluation board features a high-power, high-efficiency buck-boost architecture and a slow switch configuration to switch between different load conditions. The TLD5191HB2W_EVAL evaluation board is an EMC-optimized device and offers constant output current (LED driver). This evaluation board enables compact design due to high efficiency and reduced EMI emissions. The TLD5191HB2W_EVAL evaluation board features a 6V to 35V supply voltage range and a 6.2V to 23.6V output voltage range. This board is used in automotive, driving high-power LEDs, and 2-wheeler exterior lighting applications.Features
- Constant output current (LED driver)
- High power and high-efficiency buck-boost architecture
- Slow switches configuration to switch between different load conditions
- EMC-optimized device (spread spectrum (always ON))
- Enable compact design due to high efficiency
- Reduced EMI emissions
- Easy diagnosis of the load due to reliable protections
Specifications
- 150mA to 1000mA output current range (LED driver mode (up to 6A by changing RSHO)
- 6.2V to 23.6V output voltage range
- 6.2V to 35V input voltage range
- 385kHz typical switching frequency
Applications
- Automotive or 2-wheeler exterior lighting (full LED headlamp assemblies (low beam, high beam, matrix beam, and pixel light))
- Specially designed for driving high-power LEDs in automotive applications
PCB Layout
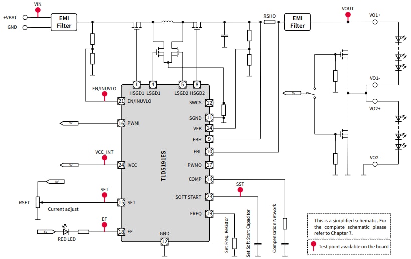
Simplified Schematic
Additional Resource
Publicado: 2023-11-15
| Actualizado: 2024-01-02
