Apacer Technology Inc. SS210-M280 Serial ATA Flash Drives
Apacer Technology Inc. SS210-M280 Serial ATA Flash Drives are modularized Solid State Drives (SSDs) considered a leading add-in storage solution for future host computing systems. Designed with an M.2 form factor, this device is more suitable for mobile and compact computers due to its standard width of only 22mm. These serial arial flash drives appear in M.2 2280 mechanical dimensions and are ideal for mobile computing systems with a skinny and light form factor. The SS210-M280 flash drives are built with a powerful SATA controller that supports on-the-module ECC and an efficient wear-leveling scheme. These flash drives consume 700mA power in active mode and 80mA in idle mode. The SS210-M280 flash drives feature a 3.3V±5% supply voltage and operate within -40°C to 85°C wide temperature range.Features
- Standard SATA interface compliance:
- Serial ATA Revision 3.2 compliance
- SATA 6Gbps interface
- ATA-8 command set
- Capacity:
- Single side:
- 16GB, 32GB, and 64GB
- Double side:
- 128GB
- Single side:
- Performance:
- 600MB/sec burst read/write
- Up to 550MB/sec sequential read
- Up to 450MB/sec sequential write
- Up to 81,000IOPS random read (4K)
- Up to 72,000IOPS random write (4K)
- Flash management:
- Built-in hardware ECC
- Global wear leveling
- Flash bad-block management
- S.M.A.R.T.
- Power failure management
- Device sleep
- ATA secure erase
- TRIM
- SLC NAND flash type
- >2,000,000 hours MTBF
Specifications
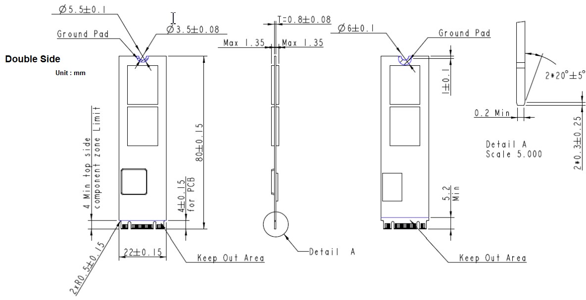
- Form factor:
- M.2 2280-D5-B-M
- Dimensions:
- Single side:
- 80mm x 22mm x 2.23mm
- Double side:
- 80mm x 22mm x 3.58mm
- Single side:
- Shock and vibration:
- 1,500G shock
- 15G vibration
- Power consumption:
- 700mA active mode
- 80mA idle mode
- Temperature range:
- Operating:
- 0°C to 70°C standard
- -40°C to 85°C wide
- -40°C to 100°C storage
- Operating:
View Results ( 16 ) Page
| N.º de artículo | Descripción | Tamaño de memoria | Escritura sostenida | Lectura sostenida | Corriente modo activo |
|---|---|---|---|---|---|
| APM2T80SS21016GFS-7BTGW | Discos en estado sólido (SSD) SATA M.2 2280 SLC 16GB WT | ||||
| APM2T80SS21032GFS-7BTGW | Discos en estado sólido (SSD) SATA M.2 2280 SLC 32GB WT | ||||
| APM2T80SS21064GFS-7BTGW | Discos en estado sólido (SSD) SATA M.2 2280 SLC 64GB WT | ||||
| APM2T80SS21128GFND-7BTG | Discos en estado sólido (SSD) SATA M.2 2280 SLC 128GB | ||||
| APM2T80SS21016GFS-7BTG | Discos en estado sólido (SSD) SATA M.2 2280 SLC 16GB | ||||
| APM2T80SS21032GFS-7BTG | Discos en estado sólido (SSD) SATA M.2 2280 SLC 32GB | ||||
| APM2T80SS21064GFS-7BTG | Discos en estado sólido (SSD) SATA M.2 2280 SLC 64GB | ||||
| APM2T80SS21128GFND-7BTGW | Discos en estado sólido (SSD) SATA M.2 2280 SLC 128GB WT | ||||
| APM2T80SS21128GFND-6BTGW | Discos en estado sólido (SSD) SATA M.2 2280 SLC 128GB ET /Replacement: APM2T80SS21128GFND-7BTGW | 128 GB | 450 MB/s | 550 MB/s | 700 mA |
| APM2T80SS21016GFS-6BTG | Discos en estado sólido (SSD) SATA M.2 2280 SLC 16GB /Replacement: APM2T80SS21016GFS-7BTG | 16 GB | 135 MB/s | 365 MB/s | 325 mA |
Publicado: 2023-05-29
| Actualizado: 2023-07-10
