Analog Devices Inc. HMC1114 Power Amplifiers

Analog Devices Inc. HMC1114 Power Amplifiers are designed as gallium nitride (GaN) broadband amplifiers. The HMC1114 amplifiers deliver 10W with greater than 50% power added efficiency (PAE) and ±0.5dB typical gain flatness across a 2.7GHz to 3.8GHz bandwidth. The amplifiers can achieve a 41.5dBm PSAT from a 28V at 150mA supply voltage. In addition, the amplifiers offer a typical 35dB signal gain, 25.5dB high-power gain for saturated output power, and a typical 44dBM IP3. Analog Devices Inc. HMC1114 power amplifiers are ideal for pulsed and continuous wave applications. These applications include wireless infrastructure, radars, public mobile radios, and general-purpose amplification.

Features

  • 41.5dBm typical high saturated output power (PSAT
  • 35dB typical high small signal gain
  • 25.5dB typical high power gain for saturated output power
  • 2.7GHz to 3.8GHz bandwidth
  • 54% typical high power added efficiency (PAE)
  • 44dBm typical high output IP3 
  • VDD = 28V at 150mA supply voltage
  • 32-lead, 5mm × 5mm LFCSP_CAV package

Applications

  • Extended battery operation for public mobile radios
  • Power amplifier stage for wireless infrastructure
  • Test and measurement equipment
  • Commercial and military radars
  • General-purpose transmitter amplification

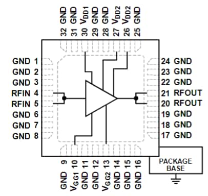
HMC1114 Functional Block Diagram

Block Diagram - Analog Devices Inc. HMC1114 Power Amplifiers
Publicado: 2017-09-01 | Actualizado: 2022-04-25