Analog Devices Inc. ADuM5401x Quad-Channel Digital Isolators
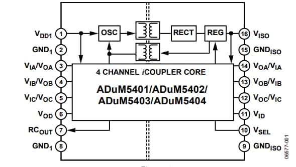
Analog Devices Inc. ADuM5401x Quad-Channel Digital Isolators with an isoPower® integrated and isolated DC-to-DC converter are based on iCoupler® technology. The DC-to-DC converter provides up to 500mW of regulated, isolated power at either 5V or 3.3V from a 5V input supply. The iCoupler chip scale transformer technology is used to isolate the logic signals and the power and feedback paths in the DC-to-DC converter. Analog Devices ADuM5401x Quad-Channel Digital Isolators provide four independent isolation channels in a variety of channel configurations and data rates. The isoPower uses high-frequency switching elements to transfer power through its transformer. Typical applications include RS-232, RS-422, RS-485 transceivers, industrial PLCs, and isolated sensor interfaces.Features
- isoPower integrated and isolated dc-to-dc converter
- Regulated 3.3V or 5V output
- Up to 500mW output power
- Quad DC-to-25Mbps (NRZ) signal isolation channels
- 16-lead SOIC package with 7.6mm creepage
- 105°C maximum high-temperature operation
- >25kV/μs high common-mode transient immunity
- Safety and regulatory approvals:
- UL recognition
- 2500Vrms for 1 minute per UL 1577
- CSA component acceptance notice 5A
- VDE certificate of conformity
- IEC 60747-5-2 (VDE 0884, Part 2)
- VIORM = 560V peak
- UL recognition
Applications
- RS-232/RS-422/RS-485 transceivers
- Industrial fieldbus isolation
- Isolated sensor interfaces
- Power supply start-up bias and gate drives
- Industrial PLCs
Block Diagram
Dimensions
Publicado: 2019-10-16
| Actualizado: 2024-03-06
