Advantech VEGA-340 Edge AI Acceleration Module
Advantech VEGA-340 Edge AI Acceleration Module is designed to boost video infrastructure performance from edge contribution to cloud distribution. The device offers a low-power solution while fully complying with media industry needs. The Advantech VEGA-340 boasts hardware acceleration for common deep neural networks and is scalable for multiple video streams.Features
- Four/Eight Intel® Movidius™ Myriad™ X VPU onboard
- Hardware acceleration for common deep neural networks
- Scalable for multiple video stream edge inference
- Ten times the performance compared to the previous generation
- Intel OpenVINO™ toolkit for inference performance optimization
- Edge AI Suite with GUI for quick evaluation
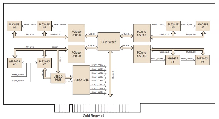
Block Diagram
Videos
Publicado: 2020-03-19
| Actualizado: 2024-03-15
