Powerful SoCs Turbocharge Wearables’ Future
By Lynnette Reese, Mouser Electronics
Featured Suppliers
Featured Products
Related Resources
Just a few months after purchase, yesterday’s wearable was likely to be in a dusty drawer. However, new chips
promise enhanced connectivity and compelling applications ensuring the latest generation of products stay on
the wrist.
Reports on the wearables sector bring mixed messages. On the one hand, analysts talk of a buoyant market in its
infancy with enormous potential while on the other detractors say wearables are a solution looking for a
problem. According to The Wall Street Journal, for example, some 111.1 million wearable devices will ship
in this year adding to the nearly 40 million that Americans alone wore in 2015. On the downside, analyst
Endeavour Partners says buyers of wearables “have subsequently abandoned them at higher rates than other
mainstream consumer products.” The company goes on to report that 35 percent of American consumers stopped using
their wearable within six months. Moreover, of the one in ten American adults who own some form of activity
tracker, half of them no longer use it.
It seems that while counting steps and measuring sleep quality can be motivational for someone wanting to get off
the couch and get a little more fit, the novelty wears off quickly if the data is not analyzed and used to make
suggestions of how to move forward once the user has attained some degree of fitness. The key challenges for the
manufacturers are that wearable technology is an emerging sector and is still searching for the ‘killer app’
that will make the devices a “must-have” accessory rather than a novelty.
We have been here before. Early MP3 players clearly had advantages over products like the portable CD players
with which they competed. A user could jog without the player skipping for starters. However, the early devices
did not catch on because loading music was difficult and slow, and small memory capacity limited the number of
tracks. Many Rio MP3 players went the same way as today’s wearables, to the bottom of a dusty drawer. The MP3
player finally realized real promise when Apple offered iPods with significant memories and an integrated system
(iTunes) that allowed an organized, easy, and fast download of songs. Now that integration has reached a logical
conclusion with the MP3 player itself having merged with the smartphone.
The current crop of commercially-successful wearable products subdivides into fitness bands—with functionality
limited to things like tracking activity and monitoring sleep—and smartwatches, devices that do much that
fitness bands offer but add many of the functions of a smartphone such as texting and notifications as well as
supporting several built-in apps. The split between the two is roughly 50/50.
However, all wearables have smartphone connectivity in common, which is almost exclusively provided by a
power-frugal form of Bluetooth wireless connectivity. Such connectivity allows the smartphone to analyze the
wearable’s data and present the information using an application. The smartphone also acts as a gateway to the
Internet, uploading the user’s data to a Cloud service for further slicing and dicing. The demarcation between
the two devices – smartwatch and fitness band - is becoming increasingly blurred as fitness bands gain greater
computing power and smartwatches shrink and run longer on their batteries.
Figure 1: Wearables work in tandem with smartphones for app support and
Internet connectivity.
Moreover, wearables makers such as market leader Fitbit are not sitting around waiting for that killer app to
spring from nowhere. The company is intent on evolving its products to improve their ‘stickiness’ with features
such as constant heart rate monitoring and “guided breathing sessions” which claim to calm the user if their
heart rate becomes a little erratic. Fitbit and others are also exploring how wearables could assist sufferers
of chronic ailments such as Type-2 diabetes. Regardless of the actual merits of guided breathing sessions, such
developments demonstrate how wearables are beginning an advance that will likely mirror the progress that took
the MP3 player of the mid-90s from a barely-used novelty to an integral part of today’s monolithic shiny black
slabs that are the all-powerful Apple iPhone and Samsung Galaxy. Much of that development will be propelled by a
new generation of chips that combine powerful yet efficient embedded processors, interoperable wireless
connectivity, lots of Flash and RAM, ever more complex algorithms and sophisticated RF protocols (“stacks”) into
tiny slices of silicon.
The heart of a wearable
The wearables market should be very thankful to the Bluetooth® Special Interest Group’s
foresight in merging Nokia’s Wibree Alliance into its organization back in 2007. Nokia’s vision was for its
handsets to be the center of a Personal Area Network (PAN) of wirelessly connected “peripherals.” (The company
wasn’t entirely clear what those peripherals would do although—taking the lead from wirelessly-connected sports
watches of the era, it did recognize that wireless sensors such as heart rate monitors would likely provide a
precedent.) Bluetooth® wireless technology had already found its way into mobiles but was too
power-greedy to embed into these peripherals. Consequently, Nokia and its alliance partners started work on an
“ultra-low power” wireless technology that could run off small batteries while linking peripherals with the
mobile.
The drawback of Nokia’s vision was that, apart from itself, phone makers were not sold on the need for yet
another radio chip in their handsets in addition to GSM, Wi-Fi, and Bluetooth®. The
Bluetooth® SIG spotted an opportunity to overcome this objection by building on Nokia’s work with
a form of technology that was interoperable with standard Bluetooth – thus making it part of an established
international standard and eliminating the need for an extra chip in handsets. And so, after considerable
behind-the-scenes engineering effort, Bluetooth® 4.0 was born in 2010. Bluetooth®
Low Energy (often, but not officially, abbreviated to “BLE”)—the ultra-low power form of the technology—formed a
vital part of the specification.
Bluetooth® Low Energy (BLE) supports a useful one-megabit raw data bandwidth yet can be powered by
batteries as small as coin cells. Better yet, mobile operating system vendors such as Apple, Android, and
Microsoft have gone out of their way to encourage BLE device connectivity by providing application programming
interfaces (APIs) for their various software packages to make life a bit easier for app developers. It is
perhaps of little surprise that sales of BLE components have skyrocketed. Analyst ABI Research, for example,
reports that the technology will experience a 34 percent compound annual growth rate (CAGR) between 2016 and
2021 to reach a staggering 1.35 billion shipments.
However, by itself, BLE is simply a wireless connectivity technology – albeit an impressive one. It combines a
physical layer comprising a 2.4GHz silicon radio with a firmware stack to manage communication. Early chips
demanded a separate low-power microprocessor such as Texas Instruments' (TI) MSP432 to supervise the operation
of the RF transceiver. It was all a bit complicated and fiddly to get working, more black art than engineering.
Everything changed with the introduction of Norwegian firm Nordic Semiconductor's nRF51 Series BLE
System-on-Chip (SoC) in 2012. The SoC was the first to integrate an ARM®
Cortex™-M0 processor, together with a high link budget 2.4GHz radio, and a decent amount of
Flash and RAM, power management, ADCs and DACs, and a smattering of I/Os. Such a design allowed wearable
developers to avoid two-chip wireless solutions by employing the ARM device for running both the application as
well as the wireless connectivity.
Two-chip solutions were ill-suited for space- and power-constrained wearables because such designs demanded the
processor run both the application code and the wireless connectivity (a specialized function for which a
general-purpose processor was not ideal). Moreover, the developer was forced to work with two mutually-exclusive
development environments and then hope that the application code and BLE stack played nicely together (which
didn’t happen very often). It was a challenge not beyond RF experts at sports watch makers like Suunto and
Garmin but was a “big ask” for an engineer working at a wearables start-up. And that was without mixing in the
problems of extra complexity, greater PCB real estate, and higher power consumption that a two-chip solution
introduced.
The introduction of the ARM-cored BLE SoC was the real catalyst for the wearables sector as we know it today. The
selection of ARM was no accident; the processors were designed from the outset for low-power, mobile
applications, and their worldwide popularity ensured a well-supported, familiar development environment with
extensive open-source code libraries. In another clever move, Nordic introduced a development environment that
allowed the wearables developers to focus on their application code without worrying about the software
integration with the BLE stack. That part of the job was taken care of by the factory’s tools and considerably
eased the intricacies of RF engineering - allowing the wearables designer to focus on product differentiation.
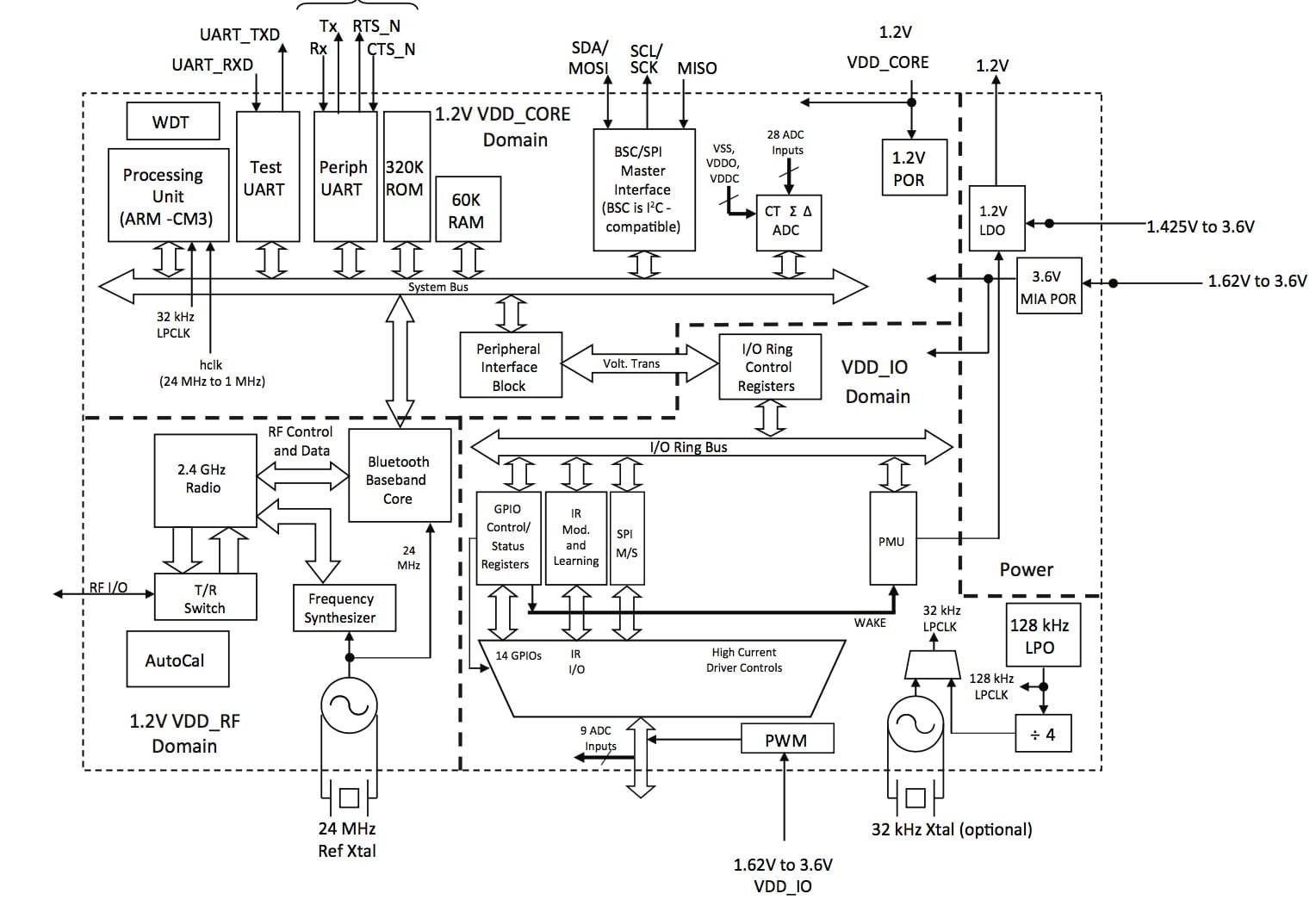
Nordic was quickly followed to market by Broadcom, now Cypress Semiconductor, Dialog Semiconductor, NXP, and STMicroelectronics, each of which introduced similar
ARM® Cortex™-M0 or -M3-powered BLE SoCs with 2.4GHz radios, Flash and RAM plus
peripherals on a single chip.
Figure 2: Block diagram of Cypress Semiconductors' BCM20732S,
one of a current crop of highly-integrated BLE SOCs from several semiconductor vendors. These SoCs integrate
ARM processor, 2.4GHz radio, Flash and RAM, power management, ADCs and DACs, and I/Os onto a single silicon
slice. (Source: Cypress Semiconductor)
For now, Nordic Semiconductor has stolen another lead with the introduction
of its nRF52 Series in 2015. The device sports an even
more powerful processor, an ARM® Cortex™-M4F, together with a more sensitive 2.4GHz radio plus increased Flash
and RAM memory. The company says that the SoC is “a single-chip solution designed to cope with even the most
complex BLE applications.” What’s more, despite the increased capability, the chip consumes about half the power
of the nRF51
Series, extending battery life in the end product.
However, this is just the beginning. Smartphone connectivity has cemented BLE as the premier wireless technology for wearables, and the market is
expected to expand to 245 million units a year and be worth $25 billion by 2019, according to analyst CCS
Insights. That is a large pie of which other silicon vendors will want a slice. Expect to see those vendors
react to Nordic’s introduction by introducing ARM® Cortex™ M4-powered BLE SoCs
soon, and development of even more powerful products to accelerate.
Development and diversification
Armed with the latest generation of Bluetooth® Smart SoCs, OEMs have been striving to enhance the
wearables experience by following a path that has previously been well-trodden by sports watches – expensive
devices boasting GPS and beloved by keen amateur and professional athletes alike. Sports watches are designed to
crunch speed, heart rate and power data into guidelines that assist in improving performance. However, whereas
Garmin, Suunto or Polar’s devices are hardly svelte and demand almost daily recharges, mass-market fitness
wearables have to be unobtrusive and run for a week or more without recourse to the charger.
Fitbit’s recent introduction of the Charge 2, for example, illustrates how the company is taking the heart rate
data from the device’s built-in monitor and processing the information to offer more precise calorie consumption
calculations, how cardio fitness is changing over time (and how the user’s fitness compares with people of a
similar age) and notification of those guided breathing sessions for when stress levels rise. While Fitbit is
not about to divulge the secrets of its product’s design, an educated guess would suggest that many of the
algorithms supporting this additional analysis are run on the BLE SoC’s processor at the heart of the device.
The company and its competitors are also promoting their products to a wider audience, including sufferers of
chronic ailments such as diabetes. The current crop of wearables is not capable of directly measuring blood
glucose—the key measure of diabetic health and something which is currently notoriously difficult to track
reliably with non-invasive sensors—but the band can help motivate people with diabetes to exercise. Daily
movement helps to both reduce high levels of blood glucose and mitigate the long-term health effects of the
ailment such as cardiovascular disease. For example, researchers found that just 1,400 steps per day decreased
diabetes-related deaths by 21 percent.
BLE SoC-powered wearables are currently introducing additional functionality that includes heart rate variability
and muscle oxygen levels. The variation in the period between heart beats is an important indicator of heart
health. Two individuals with identical heart rates can have a very different underlying heart condition. In
healthy people, low variability is a good sign of overtraining and can be used by the wearable to advise the
user to back off the running schedule a tad. For those who have had heart surgery, low variability can be an
indicator of poor recovery or possibly an impending heart attack, according to Isansys Lifecare, a British
health-care company. Muscle oxygen indicates how much oxygen is in the blood where oxygen is used (compared with
traditional measurements performed, for example, at a finger where the saturation of oxygen can be much higher).
Muscle oxygen is a good indicator of how close a runner is to exhaustion, as well. U.S.-based company Moxy is
among the pioneers of the technique.
However, getting out and exercising and improving fitness, while good for everyone, is not enough motivation in
itself for the majority to invest in a wearable; OEMs believe that living a “more contented” life in general
probably has a wider appeal. Consequently, BLE-powered wearables that target “proactive lifestyle management”
are starting to appear on the market. Such products are increasingly blurring the lines between medical- and
lifestyle-wearable devices to the point where the U.S. Food and Drug Administration (FDA) has defined a new
category for them, "general wellness devices." A typical entrant to this category is Vinaya, whose wellness
wearable, ZENTA, will launch in spring 2017.
The device is equipped with an accelerometer, a microphone, biometric sensors, and a haptic engine that gather
noise, movement, and biological signals from the user including heart rate, heart rate variability, breathing
patterns, electrodermal activity (EDA), skin temperature, pulse transit time, pulse wave velocity, and blood
oxygen saturation. ZENTA combines the signals with learning algorithms to build a profile of the user helping
them “live a more balanced life.” Whether Vinaya’s claims for ZENTA stand up to scientific scrutiny is for
others to debate, but it does nicely demonstrate how the Nordic nRF52832 BLE SoC at the heart of ZENTA can cope
with continuous input from multiple sensors, crunch complex algorithms, and seamlessly connect with a
smartphone.
Figure 3: Vinaya’s ZENTA wearable is typical of a new generation of devices
that combine multiple sensors with complex algorithms to offer users greater value from the product.
(Courtesy: Nordic
Semiconductor)
Wearables will also have a big future beyond the consumer sector. One example comes from Honeywell, a U.S.-based automation and control company. Honeywell has teamed up with
chipmaker Texas Instruments to develop monitoring for firefighters. BLE SoC
powered-wearables carried by the firefighter monitor things like heart rate, breathing, movement, and gestures.
The wearable then sends the information to a mobile device (similar to a smartphone but more rugged and powered
by the Intel® Quark™ SE
microcontroller) which forwards the data to a cloud via Wi-Fi or cellular network. The idea of combining
signals from various sensors is that, unlike one signal, for example, heart rate, a combination of signals gives
a clearer picture of whether the firefighter is in distress.
Figure 4: Honeywell and TI are collaborating to extend wearables beyond the
consumer sector. In this case, the companies have developed a mobile hub to collate wearable data and
forward it to a cloud. (Source: Intel)
Integration is Key
The first generation of wearables was like the first generation of mobile phones – useful in their niche but
limited beyond it. However, as BLE SoCs, batteries, firmware, and supporting platforms have improved, so have
the products.
However, it is still the case that unless the user is training for triathlons even the most sophisticated of
products might not have sufficient appeal to be worn for years. Nonetheless, if the wearable at least proves its
worth by offering useful analysis and guidance from monitored data—such that the user begins to appreciate the
product category as more than a novelty—next year’s product will offer enough value to encourage a further
purchase. According to Forbes, over 50 percent of U.S. iPhone owners upgrade their devices as soon as
their provider allows, even though the current handset is perfectly serviceable; why should the wearables sector
be any different?
However, the real key to wearables success in the longer term is likely to be integration. Texting, Internet
connectivity, an MP3 player, and camera—not to mention the Bluetooth wireless link to peripherals— have added to
a handset’s basic functionality to make today’s smartphone indispensable. In the same way, fitness tracking,
stress management, assistance with chronic ailment mitigation, and work productivity and safety tools (and
probably more) could come together to make wearables a vital consumer product. That said, for the future of
wearables is becoming increasingly difficult to predict. According to analyst Endeavour Partners, much of the
innovation is coming from the interface between technology and human physiology and biology. Endeavour Partners
says this is an area that very few people understand well and it is not obvious what is or is not practical on a
mass-market scale.
However, whatever commercial applications wearable developers eventually come up with, the silicon vendors will
work hard to have a BLE SoC that is more than capable of coping with the computing and communication resources
they demand.
Lynnette Reese is a member
of the technical staff at Mouser and holds a B.S. in Electrical Engineering from Louisiana State University.
Prior to Mouser, she completed a combined 15 years in technical marketing in embedded hardware and software with
Texas Instruments, Freescale, and Cypress Semiconductor. She started her career as an applications engineer at
Johnson Controls.